|
Каталог- Микросхемы
- Транзисторы
- Тиристоры
- Диоды
- Стабилитроны и Ограничители
- Резисторы
- Конденсаторы
- Резонаторы и генераторы
- Дроссели, фильтры, ферриты, трансформаторы
- Коммутация
- Реле и оптоприборы (оптроны)
- Соединители и панельки
- Разъемы импортные
- Разъемы отечественные
- Панельки
- ZIF-панельки (с нулевым усилием)
- Телефонные и Ethernet (RJ45) разъемы
- ВЧ разъемы
- Разъемы аудио, видео, ТВ
- Разъемы интерфейсные (DSUB, USB, IEEE1394)
- Разъемы на плоский кабель IDC, DIN41612, краевые
- Разъемы питания и силовые разъемы
- Разъемы цилиндрические
- Штыревые разьемы и джамперы
- Зажимы (крокодилы, скотчлоки и прочие)
- Клеммники
- Барьерные и соединительные клеммы
- Клеммы и наконечники
- Держатели SIM и карт памяти
- Разъемы герметичные
- Автомобильные Разъемы
- Устройства защиты
- Датчики
- Светотехника
- Светодиоды выводные
- SMD светодиоды
- Светодиоды в корпусе и LED лампы
- Мощные светодиоды
- Держатели светодиодов
- Светодиодные ленты и аксессуары к ним
- Источники питания и драйвера для LED
- Индикаторы светодиодные
- Индикаторы ЖКИ
- Светодиоды, индикаторы импортные (общий)
- Светодиоды, индикаторы отечественные (общий)
- Лампочки, декоративное освещение и радиолампы
- Лампы неоновые и накаливания
- Акустические компоненты
- Установочные изделия
- Беспроводная передача информации (GSM, GPS, Bluetooth, Zigbee, Wi-Fi и прочее)
- Электротехника
- Провода, кабели и аксессуары
- Провода, кабели, шнуры, термоусадочные трубки и аксессуары (общий)
- Трубки термоусадочные
- Стяжки, площадки, скобы, маркировка
- Шнуры сетевые и автошнуры
- Шнуры компьютерные и для мобильных устройств
- Шнуры телефонные
- Шнуры аудио-видео и высокочастотные
- Шлейфы (кабель плоский)
- Провода монтажные
- Кабельные вводы и втулки
- Приборы
- Средства разработки
- Паяльное оборудование
- Монтажный инструмент
- Инструменты и осветители
- Кассетницы, ячейки
- Клеевые пистолеты и аксессуары
- Кримперы, стрипперы, пресс-клещи
- Кусачки, бокорезы
- Линзы, лупы, штативы для плат и освещение
- Микроскопы
- Наборы инструментов
- Отвертки, ключи
- Пинцеты, зажимы, экстракторы
- Плоскогубцы, длинногубцы, щипцы
- Сверла, дрели и абразивный инструмент
- Скальпели, ножи и ножницы
- Слесарный инструмент
- Сумки, чемоданы для инструмента
- Тиски
- Источники питания
- Для хобби, творчества и дома
Концевые переключатели и микропереключатели
Всего найдено: 446 наименований
![]() |
Z-15GD-B
Микропереключатель Z-15GD-B, ON-(ON) 3P, 15 A, 250 В Микропереключатели Тип переключателя Микропереключатель ...
серии Z-15G Схема переключения ON-(ON) 3P Номинальное напряжение, В AC: 250 Номинальный ток, А 15 Сопротивление изоляции, МОм, не менее 100 (при Uисп.dc=500 В) Контактное сопротивление, мОм, не более 30 Количество циклов коммутации (электро), не менее 100000 Класс защиты IP40 Диапазон рабочих температур, C -25...+80 Высота, мм 49,6 Ширина, мм 17,6 Глубина, мм 23,7 (корпус) Вес брутто 32.80 Транспортная упаковка: размер/кол-во 54.5*20.5*35.7/500 << Производитель: RUICHI
Внешний вид товара может отличаться
|
Цена от 500 шт.: 68.94 руб. Цена от 20 шт.: 103.41 руб. |
Срок доставки в офис:
Ростов-н/Д: 5-9 раб.дней Ставрополь: 7-12 раб.дней Кратность заказа: 10 шт
Доступно: < 2000 шт
|
![]() |
Z-15GD-B
Микропереключатели Микроперекл. серии Z-15G, Схема переключения,ON-(ON) 3P, Номинал. напряжение, ...
В,AC: 250, Номинал. ток, А,15, Сопр. изоляции, МОм, не менее,100 (при Uисп.dc=500 В), Контактное Сопр., мОм, не более,30, Количество циклов коммутации (электро), не менее,100000, Класс защиты,IP40 << Производитель: RUICHI
Внешний вид товара может отличаться
|
Цена от 50 шт.: 91.69 руб. Цена от 30 шт.: 95.52 руб. Цена от 9 шт.: 99.47 руб. Цена от 8 шт.: 105.09 руб. |
Срок доставки в офис:
Ростов-н/Д: 8-12 раб.дней Ставрополь: 10-15 раб.дней Доступно: < 20 шт
|
![]() |
Z-15G-B 15A/250VAC
Микропереключатель Z-15G-B, ON-(ON) 3P, 15 A, 250 В Микропереключатели Тип переключателя Микропереключатель ...
серии Z-15G Схема переключения ON-(ON) 3P Номинальное напряжение, В AC: 250 Номинальный ток, А 15 Сопротивление изоляции, МОм, не менее 100 (при Uисп.dc=500 В) Контактное сопротивление, мОм, не более 30 Количество циклов коммутации (электро), не менее 100000 Класс защиты IP40 Диапазон рабочих температур, C -25...+80 Высота, мм 49,6 Ширина, мм 17,6 Глубина, мм 23,7 (корпус) Вес брутто 31.00 Транспортная упаковка: размер/кол-во 54.5*20.5*35.7/500 << Производитель: RUICHI
Внешний вид товара может отличаться
|
Цена от 200 шт.: 70.35 руб. Цена от 60 шт.: 72.80 руб. Цена от 20 шт.: 76.74 руб. Цена от 10 шт.: 84.42 руб. |
Срок доставки в офис:
Ростов-н/Д: 2-3 нед. Ставрополь: 2-3 нед. Кратность заказа: 10 шт
Доступно: < 5000 шт
|
![]() |
XTM-1301
Микропереключатели Схема переключения 1NO+1NC Примечание Микропереключатель для антивандальной кнопки ...
Номинальное напряжение, В 250/ 125 Номинальный ток, А 5 Количество циклов коммутации (механических), не менее 5 000 000 Количество циклов коммутации (электро), не менее 100000 Диапазон рабочих температур, C -25...+120 Высота, мм 10 Ширина, мм 16 Глубина, мм 5 Вес брутто 1.90 Транспортная упаковка: размер/кол-во 62*27.5*28/500 << Производитель: RUICHI
Внешний вид товара может отличаться
|
Цена от 152 шт.: 84.33 руб. Цена от 56 шт.: 87.27 руб. Цена от 32 шт.: 89.02 руб. Цена от 16 шт.: 97.92 руб. |
Срок доставки в офис:
Ростов-н/Д: 2-3 нед. Ставрополь: 2-3 нед. Кратность заказа: 8 шт
Доступно: < 400 шт
|
![]() |
XTM-1300
Микропереключатели Примечание Корпус микропереключателя XTM-1301 Диапазон рабочих температур, C -25. ...
..+120 Высота, мм 10 Ширина, мм 16 Глубина, мм 5 Вес брутто 0.82 Транспортная упаковка: размер/кол-во 33.5*32.5*29.5/1000 << Производитель: RUICHI
Внешний вид товара может отличаться
|
Цена от 1000 шт.: 13.13 руб. Цена от 250 шт.: 13.59 руб. Цена от 25 шт.: 16.71 руб. |
Срок доставки в офис:
Ростов-н/Д: 5-9 раб.дней Ставрополь: 7-12 раб.дней Кратность заказа: 25 шт
Доступно: < 400 шт
|
![]() |
X4G303N1BB SWITCHTECH
Микропереключатели
Производитель: SWITCHTECH
Внешний вид товара может отличаться
|
Цена от 360 шт.: 56.22 руб. Цена от 180 шт.: 57.72 руб. Цена от 30 шт.: 60.20 руб. Цена от 5 шт.: 61.19 руб. |
Срок доставки в офис:
Ростов-н/Д: 5-8 раб.дней Ставрополь: 7-11 раб.дней Доступно: < 1000 шт
|
![]() |
X4G303K1BB SAIA
Микропереключатели (сейчас производят X4G303N1BB)
Производитель: SWITCHTECH
Внешний вид товара может отличаться
|
Цена от 360 шт.: 56.22 руб. Цена от 180 шт.: 57.72 руб. Цена от 30 шт.: 60.20 руб. Цена от 5 шт.: 61.19 руб. |
Срок доставки в офис:
Ростов-н/Д: 5-8 раб.дней Ставрополь: 7-11 раб.дней Доступно: 7 шт
|
![]() |
WS1-Z6-F150 DONGNAN
Микропереключатели Влагозащищенный микропереключатель IP67 5A 250VAC (лапка с изгибом)
Производитель: DONGNAN
Внешний вид товара может отличаться
|
Цена от 270 шт.: 75.53 руб. Цена от 140 шт.: 77.54 руб. Цена от 20 шт.: 80.88 руб. Цена от 2 шт.: 137.03 руб. |
Срок доставки в офис:
Ростов-н/Д: 5-8 раб.дней Ставрополь: 7-11 раб.дней Доступно: < 200 шт
|
![]() |
WS1-Z5-F150 DONGNAN
Микропереключатели Влагозащищенный микропереключатель IP67 5A 250VAC (с лапкой 18мм)
Производитель: DONGNAN
Внешний вид товара может отличаться
|
Цена от 250 шт.: 82.28 руб. Цена от 130 шт.: 84.46 руб. Цена от 20 шт.: 88.11 руб. Цена от 2 шт.: 158.88 руб. |
Срок доставки в офис:
Ростов-н/Д: 5-8 раб.дней Ставрополь: 7-11 раб.дней Доступно: < 500 шт
|
![]() |
WS1-Z3-F150 DONGNAN
Микропереключатели Влагозащищенный микропереключатель IP67 5A 250VAC (с лапкой 14мм)
Производитель: DONGNAN
Внешний вид товара может отличаться
|
Цена от 170 шт.: 121.32 руб. Цена от 85 шт.: 124.54 руб. Цена от 15 шт.: 129.91 руб. Цена от 3 шт.: 132.05 руб. |
Срок доставки в офис:
Ростов-н/Д: 5-8 раб.дней Ставрополь: 7-11 раб.дней Доступно: < 300 шт
|
![]() |
WS1-Z0-F150 DONGNAN
Микропереключатели Влагозащищенный микропереключатель IP67 5A 250VAC (без лапки)
Производитель: DONGNAN
Внешний вид товара может отличаться
|
Цена от 260 шт.: 79.11 руб. Цена от 130 шт.: 81.21 руб. Цена от 20 шт.: 84.70 руб. Цена от 4 шт.: 86.10 руб. |
Срок доставки в офис:
Ростов-н/Д: 5-8 раб.дней Ставрополь: 7-11 раб.дней Доступно: < 200 шт
|
![]() |
WL-NJ
Выключатель путевой с пружинным штоком WL-NJ, 94.1х40х41.5 мм, NO-NC, 4P, 2.5 мм2, 5 А, 250 В, 15 ...
мОм, IP66, корпус металлический Путевые выключатели Вес брутто 205.00 Транспортная упаковка: размер/кол-во 44*30*32/50 Степень защиты IP66 Тип Выключатель путевой с пружинным штоком Схема переключения NO - NC (4P) Частота 20 циклов/ мин. (электро) Материал корпуса металл Количество циклов коммутации (электро), не менее 500000 Высота, мм корпус - 94,1 Ширина, мм 40 Номинальный ток, А 5 при 250 VAC, 0,8 при 125 VDC Глубина, мм 41,5 Диапазон рабочих температур, C -10...+80 Номинальное напряжение, В АС: 250 DC: 125 Сечение провода, мм2 до 2,5 Сопротивление изоляции, МОм, не менее 100 (при Uисп.dc=500 В) Диэлектрическая прочность, В 1000 (50 Гц, 1 мин.) между контактами << Производитель: RUICHI
Внешний вид товара может отличаться
|
Цена от 35 шт.: 398.14 руб. Цена от 9 шт.: 411.99 руб. Цена от 3 шт.: 434.35 руб. Цена от 1 шт.: 487.46 руб. |
Срок доставки в офис:
Ростов-н/Д: 5-9 раб.дней Ставрополь: 7-12 раб.дней Доступно: < 200 шт
|
![]() |
WL-D2
Выключатель путевой с горизонтальным нажимным роликом WL-D2, 94.1х40х41.5 мм, NO-NC, 4P, 2.5 мм2, ...
5 А, 250 В, 15 мОм, IP66, корпус металлический Путевые выключатели Вес брутто 197.00 Транспортная упаковка: размер/кол-во 42*28*23/50 Степень защиты IP66 Тип Выключатель путевой с горизонтальным нажимным роликом Схема переключения NO - NC (4P) Частота 20 циклов/ мин. (электро) Материал корпуса металл Скорость 0,1мм - 2 м/ с Количество циклов коммутации (электро), не менее 500000 Высота, мм корпус - 94,1 Ширина, мм 40 Номинальный ток, А 5 при 250 VAC, 0,8 при 125 VDC Глубина, мм 41,5 Диапазон рабочих температур, C -10...+80 Номинальное напряжение, В АС: 250 DC: 125 Сечение провода, мм2 до 2,5 Сопротивление изоляции, МОм, не менее 100 (при Uисп.dc=500 В) Диэлектрическая прочность, В 1000 (50 Гц, 1 мин.) между контактами << Производитель: RUICHI
Внешний вид товара может отличаться
|
Цена от 40 шт.: 349.39 руб. Цена от 10 шт.: 361.54 руб. Цена от 4 шт.: 381.17 руб. Цена от 1 шт.: 444.49 руб. |
Срок доставки в офис:
Ростов-н/Д: 5-9 раб.дней Ставрополь: 7-12 раб.дней Доступно: < 90 шт
|
![]() |
WL-D
Выключатель путевой с нажимным штоком, с купольным толкателем WL-D, 94.1х40х41.5 мм, NO-NC, 4P, 2. ...
5 мм2, 5 А, 250 В, 15 мОм, IP66, корпус металлический Путевые выключатели Вес брутто 187.00 Транспортная упаковка: размер/кол-во 42*28*23/50 Степень защиты IP66 Тип Выключатель путевой с нажимным штоком (купольный толкатель) Схема переключения NO - NC (4P) Частота 20 циклов/ мин. (электро) Материал корпуса металл Скорость 0,1мм - 2 м/ с Количество циклов коммутации (электро), не менее 500000 Высота, мм корпус - 94,1 Ширина, мм 40 Номинальный ток, А 5 при 250 VAC, 0,8 при 125 VDC Глубина, мм 41,5 Диапазон рабочих температур, C -10...+80 Номинальное напряжение, В АС: 250 DC: 125 Сечение провода, мм2 до 2,5 Сопротивление изоляции, МОм, не менее 100 (при Uисп.dc=500 В) Диэлектрическая прочность, В 1000 (50 Гц, 1 мин.) между контактами << Производитель: RUICHI
Внешний вид товара может отличаться
|
Цена от 50 шт.: 349.39 руб. Цена от 3 шт.: 436.73 руб. |
Срок доставки в офис:
Ростов-н/Д: 5-9 раб.дней Ставрополь: 7-12 раб.дней Доступно: < 300 шт
|
![]() |
WL-CL
Выключатель путевой с поворотным рычажным роликом WL-CL, 94.1х40х41.5 мм, NO-NC, 4P, 2.5 мм2, 5 А, ...
250 В, 15 мОм, IP66, корпус металлический Путевые выключатели Вес брутто 270.00 Транспортная упаковка: размер/кол-во 42*28*23/50 Степень защиты IP66 Тип Выключатель путевой с поворотным рычажным роликом Схема переключения NO - NC (4P) Частота включение/ отключение (макс.) - 30 циклов/ мин. (электро) Материал корпуса металл Количество циклов коммутации (электро), не менее 500000 Высота, мм корпус - 94,1 Ширина, мм 40 Номинальный ток, А 5 при 250 VAC, 0,8 при 125 VDC Глубина, мм 41,5 Диапазон рабочих температур, C -10...+80 Номинальное напряжение, В АС: 250 DC: 125 Сечение провода, мм2 до 2,5 Сопротивление изоляции, МОм, не менее 100 (при Uисп.dc=500 В) Диэлектрическая прочность, В 1000 (50 Гц, 1 мин.) между контактами << Производитель: RUICHI
Внешний вид товара может отличаться
|
Цена от 40 шт.: 349.39 руб. Цена от 10 шт.: 361.54 руб. Цена от 4 шт.: 381.17 руб. Цена от 1 шт.: 444.49 руб. |
Срок доставки в офис:
Ростов-н/Д: 5-9 раб.дней Ставрополь: 7-12 раб.дней Доступно: < 300 шт
|
![]() |
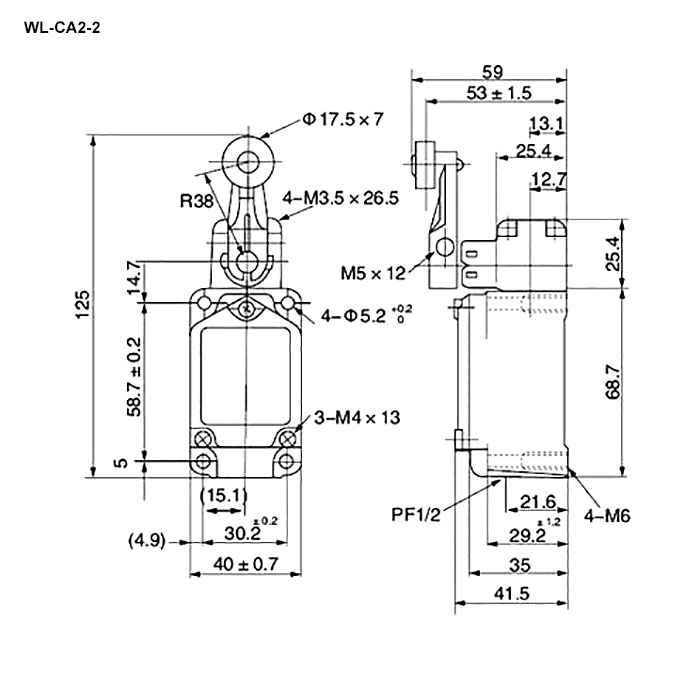
WL-CA2-2
Выключатель путевой с поворотным рычажным роликом WL-CA2-2, 94.1х40х41.5 мм, NO-NC, 4P, 2.5 мм2, ...
5 А, 250 В, 15 мОм, IP66, корпус металлический Путевые выключатели Вес брутто 248.00 Транспортная упаковка: размер/кол-во 42*28*23/50 Степень защиты IP66 Тип Выключатель путевой с поворотным рычажным роликом Схема переключения NO - NC (4P) Частота включение/ отключение (макс.) - 30 циклов/ мин. (электро) Количество циклов коммутации (электро), не менее 500000 Высота, мм 125, корпус - 94,1 Ширина, мм 40 Номинальный ток, А 5 при 250 VAC, 0,8 при 125 VDC Глубина, мм 41,5 Диапазон рабочих температур, C -10...+80 Номинальное напряжение, В АС: 250 DC: 125 Сечение провода, мм2 до 2,5 Сопротивление изоляции, МОм, не менее 100 (при Uисп.dc=500 В) Контактное сопротивление, мОм, не более 15 Диэлектрическая прочность, В 1000 (50 Гц, 1 мин.) между контактами << Производитель: RUICHI
Внешний вид товара может отличаться
|
Цена от 35 шт.: 398.14 руб. Цена от 9 шт.: 411.99 руб. Цена от 3 шт.: 434.35 руб. Цена от 1 шт.: 487.46 руб. |
Срок доставки в офис:
Ростов-н/Д: 5-9 раб.дней Ставрополь: 7-12 раб.дней Доступно: < 20 шт
|
![]() |
WL-CA12-2
Выключатель путевой с поворотным регулируемым рычажным роликом WL-CA12-2, 94.1х40х41.5 мм, NO-NC, ...
4P, 2.5 мм2, 5 А, 250 В, 15 мОм, IP66, корпус металлический Путевые выключатели Вес брутто 265.50 Транспортная упаковка: размер/кол-во 42*28*42.5/100 Степень защиты IP66 Тип Выключатель путевой с поворотным регулируемым рычажным роликом Характеристика PTmax=20 Схема переключения NO - NC (4P) Частота включение/ отключение (макс.) - 30 циклов/ мин. (электро) Материал корпуса металл Количество циклов коммутации (электро), не менее 500000 Высота, мм корпус - 94,1 Ширина, мм 40 Номинальный ток, А 5 при 250 VAC, 0,8 при 125 VDC Глубина, мм 41,5 Диапазон рабочих температур, C -10...+80 Номинальное напряжение, В АС: 250 DC: 125 Сечение провода, мм2 до 2,5 Сопротивление изоляции, МОм, не менее 100 (при Uисп.dc=500 В) Контактное сопротивление, мОм, не более 15 Диэлектрическая прочность, В 1000 (50 Гц, 1 мин.) между контактами << Производитель: RUICHI
Внешний вид товара может отличаться
|
Цена от 30 шт.: 500.11 руб. Цена от 7 шт.: 517.50 руб. Цена от 3 шт.: 545.60 руб. Цена от 1 шт.: 590.05 руб. |
Срок доставки в офис:
Ростов-н/Д: 5-9 раб.дней Ставрополь: 7-12 раб.дней Доступно: < 200 шт
|
![]() |
VMS15-03N-40G-G с длинной лапкой52мм 250В 15A
Производитель: Switronic
Внешний вид товара может отличаться
|
Цена от 175 шт.: 114.22 руб. Цена от 100 шт.: 117.25 руб. Цена от 25 шт.: 120.28 руб. Цена от 5 шт.: 173.27 руб. |
Срок доставки в офис:
23-25 нед. Кратность заказа: 5 шт
Доступно: < 900 шт
|
![]() |
VMS15-03N-40G-G Switronic
Микропереключатель с рычажком 51.7мм 15А 250В
Производитель: Switronic
|
Цена от 120 шт.: 125.12 руб. Цена от 35 шт.: 139.53 руб. Цена от 20 шт.: 148.10 руб. Цена от 3 шт.: 163.96 руб. |
Срок доставки в офис:
Ростов-н/Д: 6-9 раб.дней Ставрополь: 8-12 раб.дней Доступно: < 200 шт
|
![]() |
VMS15-02N-70G-G Switronic
Микропереключатель с рычажком 27.2мм 15А 250В
Производитель: Switronic
|
Цена от 80 шт.: 131.08 руб. Цена от 30 шт.: 146.05 руб. Цена от 15 шт.: 154.94 руб. Цена от 3 шт.: 171.44 руб. |
Срок доставки в офис:
Ростов-н/Д: 6-9 раб.дней Ставрополь: 8-12 раб.дней Доступно: 8 шт
|



















