|
Каталог- Микросхемы
- Транзисторы
- Тиристоры
- Диоды
- Стабилитроны и Ограничители
- Резисторы
- Конденсаторы
- Резонаторы и генераторы
- Дроссели, фильтры, ферриты, трансформаторы
- Коммутация
- Реле и оптоприборы (оптроны)
- Соединители и панельки
- Разъемы импортные
- Разъемы отечественные
- Панельки
- ZIF-панельки (с нулевым усилием)
- Телефонные и Ethernet (RJ45) разъемы
- ВЧ разъемы
- Разъемы аудио, видео, ТВ
- Разъемы интерфейсные (DSUB, USB, IEEE1394)
- Разъемы на плоский кабель IDC, DIN41612, краевые
- Разъемы питания и силовые разъемы
- Разъемы цилиндрические
- Штыревые разьемы и джамперы
- Зажимы (крокодилы, скотчлоки и прочие)
- Клеммники
- Барьерные и соединительные клеммы
- Клеммы и наконечники
- Держатели SIM и карт памяти
- Разъемы герметичные
- Автомобильные Разъемы
- Устройства защиты
- Датчики
- Светотехника
- Светодиоды выводные
- SMD светодиоды
- Светодиоды в корпусе и LED лампы
- Мощные светодиоды
- Держатели светодиодов
- Светодиодные ленты и аксессуары к ним
- Источники питания и драйвера для LED
- Индикаторы светодиодные
- Индикаторы ЖКИ
- Светодиоды, индикаторы импортные (общий)
- Светодиоды, индикаторы отечественные (общий)
- Лампочки, декоративное освещение и радиолампы
- Лампы неоновые и накаливания
- Акустические компоненты
- Установочные изделия
- Беспроводная передача информации (GSM, GPS, Bluetooth, Zigbee, Wi-Fi и прочее)
- Электротехника
- Провода, кабели и аксессуары
- Провода, кабели, шнуры, термоусадочные трубки и аксессуары (общий)
- Трубки термоусадочные
- Стяжки, площадки, скобы, маркировка
- Шнуры сетевые и автошнуры
- Шнуры компьютерные и для мобильных устройств
- Шнуры телефонные
- Шнуры аудио-видео и высокочастотные
- Шлейфы (кабель плоский)
- Провода монтажные
- Кабельные вводы и втулки
- Приборы
- Средства разработки
- Паяльное оборудование
- Монтажный инструмент
- Инструменты и осветители
- Кассетницы, ячейки
- Клеевые пистолеты и аксессуары
- Кримперы, стрипперы, пресс-клещи
- Кусачки, бокорезы
- Линзы, лупы, штативы для плат и освещение
- Микроскопы
- Наборы инструментов
- Отвертки, ключи
- Пинцеты, зажимы, экстракторы
- Плоскогубцы, длинногубцы, щипцы
- Сверла, дрели и абразивный инструмент
- Скальпели, ножи и ножницы
- Слесарный инструмент
- Сумки, чемоданы для инструмента
- Тиски
- Источники питания
- Для хобби, творчества и дома
Концевые переключатели и микропереключатели
Всего найдено: 408 наименований
![]() |
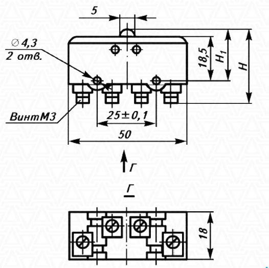
МП1101 исп. 2 2024
'1' Микровыключатели. Способ монтажа проводов - пайкой
Производитель: ком 6
Внешний вид товара может отличаться
|
Цена от 20 шт.: 755.93 руб. Цена от 7 шт.: 824.55 руб. Цена от 4 шт.: 862.47 руб. Цена от 1 шт.: 924.28 руб. |
Срок доставки в офис:
Ростов-н/Д: 6-9 раб.дней Ставрополь: 8-12 раб.дней Доступно: < 40 шт
|
![]() |
МП1101 исп. 1 кнопка 2024
МП1101 исп. 1
'1' Микровыкл.чатель под винт.
Внешний вид товара может отличаться
|
Цена от 20 шт.: 740.60 руб. Цена от 7 шт.: 807.97 руб. Цена от 4 шт.: 845.18 руб. Цена от 1 шт.: 905.85 руб. |
Срок доставки в офис:
Ростов-н/Д: 6-9 раб.дней Ставрополь: 8-12 раб.дней Доступно: < 200 шт
|
![]() |
МП11 (2019г)
Микропереключатели Вес 2,7 г Сопротивление контакта не более 0,05 Ом Электрическая прочность изоляции ...
для приемки 1 - 750, для приемки 5 - 1100 В Рабочая температура от -60 до +125 С Сопротивление изоляции не менее 1000 МОм Усилие прямогосрабатывания: для приемки 10,98 2,94, для приемки 5 - 0,98 2,25 Н Повышенная относительная важность при 35 С 98 % Наработка на отказ, не менее для приемки 1 - 10000, для приемки 5 - 5000 Час << Производитель: КУЗБАССРАДИО
Внешний вид товара может отличаться
|
Цена от 30 шт.: 467.51 руб. Цена от 7 шт.: 483.77 руб. Цена от 3 шт.: 510.03 руб. Цена от 1 шт.: 572.40 руб. |
Срок доставки в офис:
Ростов-н/Д: 5-9 раб.дней Ставрополь: 7-12 раб.дней Доступно: < 100 шт
|
![]() |
МП1-1В
Микропереключатели Вес 3,5 г Сопротивление контактов, не более 0,05 Ом Электрическая прочность изоляции ...
для приемки 1: 750, для приемки 5: 1100 В Рабочая температура от -60 до +125 С Сопротивление изоляции, не менее 1000 МОм Усилие прямого срабатывания: для приемки 1: 0,98 2,94, для приемки 5: 0,98 2,25Н << Производитель: КУЗБАССРАДИО
Внешний вид товара может отличаться
|
Цена от 15 шт.: 905.92 руб. Цена от 4 шт.: 937.42 руб. Цена от 2 шт.: 988.31 руб. Цена от 1 шт.: 1068.82 руб. |
Срок доставки в офис:
Ростов-н/Д: 5-9 раб.дней Ставрополь: 7-12 раб.дней Доступно: < 30 шт
|
![]() |
МП1-1, микропереключатель 89г. АО КУЗБАССРАДИ
Производитель: АО КУЗБАССРАДИО
Внешний вид товара может отличаться
|
Цена от 42 шт.: 249.99 руб. Цена от 8 шт.: 256.46 руб. Цена от 2 шт.: 260.76 руб. Цена от 1 шт.: 285.38 руб. |
Срок доставки в офис:
Ростов-н/Д: 4-8 раб.дней Ставрополь: 6-11 раб.дней Доступно: < 70 шт
|
![]() |
МП1-1
Микропереключатели Вес 3,5 г Сопротивление контакта не более 0,05 Ом Электрическая прочность изоляции ...
для приемки 1 - 750, для приемки 5 - 1100 В Рабочая температура от -60 до +125 С Сопротивление изоляции не менее 1000 МОм Усилие прямого срабатывания: для приемки 10,98 2,94, для приемки 5 - 0,98 2,25 Н Повышенная относительная важность при 35 С 98 % Наработка на отказ, не менее для приемки 1 - 10000, для приемки 5 - 5000 Час << Производитель: КУЗБАССРАДИО
Внешний вид товара может отличаться
|
Цена от 20 шт.: 786.33 руб. Цена от 5 шт.: 813.68 руб. Цена от 2 шт.: 857.85 руб. Цена от 1 шт.: 927.72 руб. |
Срок доставки в офис:
Ростов-н/Д: 5-9 раб.дней Ставрополь: 7-12 раб.дней Доступно: < 200 шт
|
![]() |
МИ3а (220в-2а) (90-92г.)
Производитель: RUS
Внешний вид товара может отличаться
|
Цена от 14 шт.: 735.30 руб. Цена от 8 шт.: 754.32 руб. Цена от 1 шт.: 766.99 руб. |
Срок доставки в офис:
Ростов-н/Д: 4-8 раб.дней Ставрополь: 6-11 раб.дней Доступно: < 100 шт
|
![]() |
Защитный кожух TAP-Z (Z-15)
Микропереключатель Z-15 (TAP-Z) Микропереключатели Тип переключателя Кожух (защитная крышка) микропереключателя ...
серии Z-15G Особенности конструкции с кабельным вводом PG9 (для кабеля Ф5-7 мм) Класс защиты IP40 Вес брутто 9.13 Транспортная упаковка: размер/кол-во 48*31.5*27/750 << Производитель: RUICHI
Внешний вид товара может отличаться
|
Цена от 900 шт.: 14.60 руб. Цена от 250 шт.: 15.11 руб. Цена от 50 шт.: 17.23 руб. |
Срок доставки в офис:
Ростов-н/Д: 5-9 раб.дней Ставрополь: 7-12 раб.дней Кратность заказа: 50 шт
Доступно: < 9000 шт
|
![]() |
Д703 ( WK3-1 )
Микропереключатель без фиксации Д703, ON-(OFF)/OFF-(ON) 4P, 5 А, 220 В Микропереключатели Тип переключателя ...
Микропереключатель серии Д700 (без фиксации) Схема переключения ON-(OFF)/ OFF-(ON) 4P Номинальное напряжение, В AC: 220/ DC: 15-30 Номинальный ток, А AC: 0,2-3 (0,2-5)/ DC: 0,2-10 (0,2-5) Диапазон рабочих температур, C -20...+60 Высота, мм 12,2 Ширина, мм 34 Глубина, мм 13 Вес брутто 8.68 Транспортная упаковка: размер/кол-во 40.5*33.5*18.5/2000 << Производитель: RUICHI
Внешний вид товара может отличаться
|
Цена от 13000 шт.: 65.07 руб. |
Срок доставки в офис:
Ростов-н/Д: 26-27 нед. Ставрополь: 26-27 нед. Кратность заказа: 13000 шт
Доступно: > 10000 шт
|
![]() |
Д701 ( WK1-1 )
Микропереключатель без фиксации Д701, ON-(OFF)/OFF-(ON) 4P, 5 А, 220 В Микропереключатели Тип переключателя ...
Микропереключатель серии Д700 (без фиксации) Схема переключения ON-(OFF)/ OFF-(ON) 4P Номинальное напряжение, В AC: 220/ DC: 15-30 Номинальный ток, А AC: 0,2-3 (0,2-5)/ DC: 0,2-10 (0,2-5) Диапазон рабочих температур, C -20...+60 Вес брутто 9.17 Транспортная упаковка: размер/кол-во 48*31.5*22/1400 << Производитель: RUICHI
Внешний вид товара может отличаться
|
Цена от 230 шт.: 57.41 руб. Цена от 60 шт.: 59.41 руб. Цена от 10 шт.: 67.73 руб. |
Срок доставки в офис:
Ростов-н/Д: 5-9 раб.дней Ставрополь: 7-12 раб.дней Кратность заказа: 10 шт
Доступно: < 3000 шт
|
![]() |
Выключатель поплавковый PVC-3M
Поплавковый выключатель , ON-OFF/OFF-ON, IP68, 8/4 А, 220/380 В, погружение 3 м, пластик желтый/синий ...
без груза Поплавковые выключатели Вес брутто 484.00 Транспортная упаковка: размер/кол-во 43.5*33.5*47/40 Высота 44 мм Ширина 78 мм Глубина погружения (max) - 3 Степень защиты IP68 Максимальный ток 8/ 4 А Коммутируемое напряжение 220/ 380 В Схема переключения верхнее/ нижнее положение - ON-OFF/ OFF-ON Диапазон рабочих температур 0+75 С ВНИМАНИЕ не является взрывозащищенным Состав выключатель поплавковый, поплавок Ф55х61 мм, кабель Материал корпуса двухцветный пластик (желтый/ синий) Длина кабеля 3 (3 жилы) м Срок службы по злектрической части, не менее - 100000 циклов Температура хранения - 5575 С Особенности без груза << Производитель: RUICHI
Внешний вид товара может отличаться
|
Цена от 35 шт.: 411.84 руб. Цена от 8 шт.: 426.17 руб. Цена от 3 шт.: 449.30 руб. Цена от 1 шт.: 504.24 руб. |
Срок доставки в офис:
Ростов-н/Д: 5-9 раб.дней Ставрополь: 7-12 раб.дней Доступно: 7 шт
|
![]() |
Выключатель поплавковый 3м
Поплавковый выключатель , ON-OFF/OFF-ON, IP68, 8/4 А, 220/380 В, погружение 3 м, пластик желтый/синий, ...
с грузом Поплавковые выключатели Вес брутто 673.75 Транспортная упаковка: размер/кол-во 43.5*33.5*47/40 Высота 44 мм Ширина 78 мм Глубина погружения (max) - 3 Степень защиты IP68 Тип выключателя Выключатель поплавковый серии MAC3-2 в сборе Максимальный ток 8/ 4 А Коммутируемое напряжение 220/ 380 В Схема переключения верхнее/ нижнее положение - ON-OFF/ OFF-ON Диапазон рабочих температур 0+75 С ВНИМАНИЕ не является взрывозащищенным Состав выключатель поплавковый, поплавок Ф55х61 мм, кабель Материал корпуса двухцветный пластик (желтый/ синий) Длина кабеля 3 (3 жилы) м Срок службы по злектрической части, не менее - 100000 циклов Температура хранения - 5575 С Особенности с грузом << Производитель: RUICHI
Внешний вид товара может отличаться
|
Цена от 30 шт.: 503.84 руб. Цена от 7 шт.: 521.37 руб. Цена от 3 шт.: 549.67 руб. Цена от 1 шт.: 594.45 руб. |
Срок доставки в офис:
Ростов-н/Д: 5-9 раб.дней Ставрополь: 7-12 раб.дней Доступно: < 90 шт
|
![]() |
Выключатель поплавковый 2м
Поплавковый выключатель , ON-OFF/OFF-ON, IP68, 8/4 А, 220/380 В, погружение 2 м, пластик желтый/синий, ...
с грузом Поплавковые выключатели Вес брутто 581.67 Транспортная упаковка: размер/кол-во 43.5*33.5*35.5/30 Высота 44 мм Ширина 78 мм Глубина погружения (max) - 2 м Степень защиты IP68 Тип выключателя Выключатель поплавковый серии MAC3-2 Максимальный ток 8/ 4 А Коммутируемое напряжение 220/ 380 В Схема переключения верхнее/ нижнее положение - ON-OFF/ OFF-ON Диапазон рабочих температур 0+75 С ВНИМАНИЕ не является взрывозащищенным Состав выключатель поплавковый, поплавок Ф55х61 мм, кабель Материал корпуса двухцветный пластик (желтый/ синий) Длина кабеля 2 (3 жилы) м Срок службы по злектрической части, не менее - 100000 циклов Температура хранения -55+75 С Особенности с грузом << Производитель: RUICHI
Внешний вид товара может отличаться
|
Цена от 30 шт.: 432.29 руб. Цена от 8 шт.: 447.33 руб. Цена от 3 шт.: 471.62 руб. Цена от 1 шт.: 529.28 руб. |
Срок доставки в офис:
Ростов-н/Д: 5-9 раб.дней Ставрополь: 7-12 раб.дней Доступно: < 200 шт
|
![]() |
Выключатель поплавковый 10м
Поплавковый выключатель , ON-OFF/OFF-ON, IP68, 8/4 А, 220/380 В, погружение 10 м, пластик желтый/синий, ...
с грузом Поплавковые выключатели Вес брутто 1322.67 Транспортная упаковка: размер/кол-во 45*41*45.5/30 Высота 45 мм Ширина 78 мм Глубина погружения (max) - 10 м Степень защиты IP68 Тип выключателя Выключатель поплавковый серии MAC3-2 в сборе Максимальный ток 8/ 4 А Коммутируемое напряжение 220/ 380 В Схема переключения верхнее/ нижнее положение - ON-OFF/ OFF-ON Диапазон рабочих температур 0+75 С ВНИМАНИЕ не является взрывозащищенным Состав выключатель поплавковый, поплавок Ф55х61 мм, кабель Материал корпуса двухцветный пластик (желтый/ синий) Длина кабеля 10 (3 жилы) м Срок службы по злектрической части, не менее - 100000 циклов Температура хранения -55+75 С Особенности с грузом << Производитель: RUICHI
Внешний вид товара может отличаться
|
Цена от 15 шт.: 932.10 руб. Цена от 4 шт.: 964.52 руб. Цена от 2 шт.: 1016.88 руб. Цена от 1 шт.: 1099.72 руб. |
Срок доставки в офис:
Ростов-н/Д: 5-9 раб.дней Ставрополь: 7-12 раб.дней Доступно: < 200 шт
|
![]() |
ВПК2010 (аналог)
Путевые выключатели Вес брутто 60.40 Транспортная упаковка: размер/кол-во 48*32*22.5/250
Производитель: RUICHI
Внешний вид товара может отличаться
|
Цена от 75 шт.: 182.25 руб. Цена от 20 шт.: 188.58 руб. Цена от 7 шт.: 198.82 руб. Цена от 2 шт.: 231.84 руб. |
Срок доставки в офис:
Ростов-н/Д: 5-9 раб.дней Ставрополь: 7-12 раб.дней Доступно: < 400 шт
|
![]() |
А822АГ
Микропереключатели Вес 45 г Напряжение 27 В Номинальный ток 8 А Габаритные размеры 51х19х32 мм
Внешний вид товара может отличаться
|
Цена от 2 шт.: 1920.56 руб. Цена от 1 шт.: 2024.81 руб. |
Срок доставки в офис:
Ростов-н/Д: 5-9 раб.дней Ставрополь: 7-12 раб.дней Доступно: 3 шт
|
![]() |
А822
Микропереключатели Вес 45 г Напряжение 27 В Номинальный ток 8 А Габаритные размеры 51х19х32 мм
|
Цена от 15 шт.: 928.00 руб. Цена от 4 шт.: 960.28 руб. Цена от 2 шт.: 1012.41 руб. Цена от 1 шт.: 1094.87 руб. |
Срок доставки в офис:
Ростов-н/Д: 5-9 раб.дней Ставрополь: 7-12 раб.дней Доступно: 3 шт
|
![]() |
А812
Микропереключатели Вес 40 г Напряжение постоянного тока - 27, переменного тока - 220 В Номинальный ...
ток постоянного тока - 10, переменного тока - 5 А Габаритные размеры 50х18х23 мм Частота 400-1000 Гц <<
Внешний вид товара может отличаться
|
Цена от 15 шт.: 952.76 руб. Цена от 4 шт.: 985.91 руб. Цена от 2 шт.: 1005.62 руб. Цена от 1 шт.: 1124.10 руб. |
Срок доставки в офис:
Ростов-н/Д: 5-9 раб.дней Ставрополь: 7-12 раб.дней Доступно: < 40 шт
|
![]() |
А802 15А 27В
Микропереключатели Вес 35 г Напряжение цепи переменного тока: 220 В Номинальный ток цепи переменного ...
тока: 8 А Габаритные размеры 50х18х29 мм Частота 50-900 Гц <<
Внешний вид товара может отличаться
|
Цена от 55 шт.: 247.70 руб. Цена от 15 шт.: 256.32 руб. Цена от 5 шт.: 270.23 руб. Цена от 1 шт.: 315.12 руб. |
Срок доставки в офис:
Ростов-н/Д: 5-9 раб.дней Ставрополь: 7-12 раб.дней Доступно: 3 шт
|
![]() |
А801-А
Микропереключатели Вес 40 г Напряжение постоянного тока - 27, переменного тока - 220 В Номинальный ...
ток постоянного тока - 15, переменного тока - 8 А Габаритные размеры 50х18х42 мм Частота 50-900 Гц <<
Внешний вид товара может отличаться
|
Цена от 46 шт.: 285.83 руб. Цена от 15 шт.: 295.76 руб. Цена от 4 шт.: 324.05 руб. Цена от 1 шт.: 363.62 руб. |
Срок доставки в офис:
Ростов-н/Д: 5-9 раб.дней Ставрополь: 7-12 раб.дней Доступно: < 80 шт
|



















