|
Каталог- Микросхемы
- Транзисторы
- Тиристоры
- Диоды
- Стабилитроны и Ограничители
- Резисторы
- Конденсаторы
- Резонаторы и генераторы
- Дроссели, фильтры, ферриты, трансформаторы
- Коммутация
- Реле и оптоприборы (оптроны)
- Соединители и панельки
- Разъемы импортные
- Разъемы отечественные
- Панельки
- ZIF-панельки (с нулевым усилием)
- Телефонные и Ethernet (RJ45) разъемы
- ВЧ разъемы
- Разъемы аудио, видео, ТВ
- Разъемы интерфейсные (DSUB, USB, IEEE1394)
- Разъемы на плоский кабель IDC, DIN41612, краевые
- Разъемы питания и силовые разъемы
- Разъемы цилиндрические
- Штыревые разьемы и джамперы
- Зажимы (крокодилы, скотчлоки и прочие)
- Клеммники
- Барьерные и соединительные клеммы
- Клеммы и наконечники
- Держатели SIM и карт памяти
- Разъемы герметичные
- Автомобильные Разъемы
- Устройства защиты
- Датчики
- Светотехника
- Светодиоды выводные
- SMD светодиоды
- Светодиоды в корпусе и LED лампы
- Мощные светодиоды
- Держатели светодиодов
- Светодиодные ленты и аксессуары к ним
- Источники питания и драйвера для LED
- Индикаторы светодиодные
- Индикаторы ЖКИ
- Светодиоды, индикаторы импортные (общий)
- Светодиоды, индикаторы отечественные (общий)
- Лампочки, декоративное освещение и радиолампы
- Лампы неоновые и накаливания
- Акустические компоненты
- Установочные изделия
- Беспроводная передача информации (GSM, GPS, Bluetooth, Zigbee, Wi-Fi и прочее)
- Электротехника
- Провода, кабели и аксессуары
- Провода, кабели, шнуры, термоусадочные трубки и аксессуары (общий)
- Трубки термоусадочные
- Стяжки, площадки, скобы, маркировка
- Шнуры сетевые и автошнуры
- Шнуры компьютерные и для мобильных устройств
- Шнуры телефонные
- Шнуры аудио-видео и высокочастотные
- Шлейфы (кабель плоский)
- Провода монтажные
- Кабельные вводы и втулки
- Приборы
- Средства разработки
- Паяльное оборудование
- Монтажный инструмент
- Инструменты и осветители
- Кассетницы, ячейки
- Клеевые пистолеты и аксессуары
- Кримперы, стрипперы, пресс-клещи
- Кусачки, бокорезы
- Линзы, лупы, штативы для плат и освещение
- Микроскопы
- Наборы инструментов
- Отвертки, ключи
- Пинцеты, зажимы, экстракторы
- Плоскогубцы, длинногубцы, щипцы
- Сверла, дрели и абразивный инструмент
- Скальпели, ножи и ножницы
- Слесарный инструмент
- Сумки, чемоданы для инструмента
- Тиски
- Источники питания
- Для хобби, творчества и дома
Термопредохранители и термостаты
Всего найдено: 428 наименований
![]() |
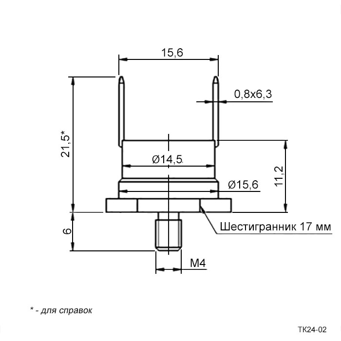
ТК24-02-Сп9/6-1-92+/-3%-75+/-5% 92гр. 10а NC
Терморегулятор ТК24-02-Сп9/6-1-92+/-3%-75+/-5%, Терморекс, 92 C Термостаты Номинальный ток при коэффиценте ...
мощности 0.6: не более 10 А Номинальное напряжение 250 В Температура срабатывания: 92 С Сопротивление изоляции, не менее 50 МОм Время срабатывания: 3 мс Сопротивление контакта переходное: 0,05 Ом Электрическая прочность изоляции 1500 В Количество автоматических циклов, при номинальном токе 10 А и коэффиценте мощности 0.95: не менее 100000 Скорость нагрева: minimum-0.1, maximum-1.0 К/мин << Производитель: ТЕРМОРЕКС
Внешний вид товара может отличаться
|
Цена от 65 шт.: 204.44 руб. Цена от 20 шт.: 211.54 руб. Цена от 6 шт.: 223.03 руб. Цена от 2 шт.: 260.07 руб. |
Срок доставки в офис:
Ростов-н/Д: 5-9 раб.дней Ставрополь: 7-12 раб.дней Доступно: < 20 шт
|
![]() |
ТК32-01-100+/-3% 100гр. 10а NC с кнопкой
Терморегулятор ТК32-01-100+/-3%, Терморекс, 100 C Термостаты Номинальный ток при коэффиценте мощности ...
0.6: не более 10 А Номинальное напряжение 250 В Температура срабатывания: 110 С Сопротивление изоляции, не менее 50 МОм Время срабатывания: 3 мс Сопротивление контакта переходное: 0,05 Ом Электрическая прочность изоляции 1500 В Количество автоматических циклов, при номинальном токе 16 А и коэффиценте мощности 0.95: не менее 10000 Скорость нагрева: minimum-0.1, maximum-1.0 К/мин << Производитель: ТЕРМОРЕКС
Внешний вид товара может отличаться
|
Цена от 80 шт.: 165.50 руб. Цена от 20 шт.: 171.26 руб. Цена от 7 шт.: 187.64 руб. Цена от 2 шт.: 210.54 руб. |
Срок доставки в офис:
Ростов-н/Д: 5-9 раб.дней Ставрополь: 7-12 раб.дней Доступно: < 50 шт
|
![]() |
ТК32-01-110+/-3% 110гр. 10а NC c кнопкой
Терморегулятор ТК32-01-110+/-3%, Терморекс, 110 C Термостаты Номинальный ток при коэффиценте мощности ...
0.6: не более 10 А Номинальное напряжение 250 В Температура срабатывания: 110 С Сопротивление изоляции, не менее 50 МОм Время срабатывания: 3 мс Сопротивление контакта переходное: 0,05 Ом Электрическая прочность изоляции 1500 В Количество автоматических циклов, при номинальном токе 16 А и коэффиценте мощности 0.95: не менее 10000 Скорость нагрева: minimum-0.1, maximum-1.0 К/мин << Производитель: ТЕРМОРЕКС
Внешний вид товара может отличаться
|
Цена от 80 шт.: 165.50 руб. Цена от 20 шт.: 171.26 руб. Цена от 7 шт.: 187.64 руб. Цена от 2 шт.: 210.54 руб. |
Срок доставки в офис:
Ростов-н/Д: 5-9 раб.дней Ставрополь: 7-12 раб.дней Доступно: < 20 шт
|
![]() |
ТК32-01-120+/-3% 120гр. 10а NC с кнопкой
Терморегулятор ТК32-01-120+/-3%, Терморекс, 120C Термостаты Номинальный ток при коэффиценте мощности ...
0.6: не более 10 А Номинальное напряжение 250 В Температура срабатывания: 120 С Сопротивление изоляции, не менее 50 МОм Время срабатывания: 3 мс Сопротивление контакта переходное: 0,05 Ом Электрическая прочность изоляции 1500 В Количество автоматических циклов, при номинальном токе 16 А и коэффиценте мощности 0.95: не менее 10000 Скорость нагрева: minimum-0.1, maximum-1.0 К/мин << Производитель: ТЕРМОРЕКС
Внешний вид товара может отличаться
|
Цена от 90 шт.: 146.03 руб. Цена от 25 шт.: 151.11 руб. Цена от 8 шт.: 165.56 руб. Цена от 2 шт.: 185.78 руб. |
Срок доставки в офис:
Ростов-н/Д: 5-9 раб.дней Ставрополь: 7-12 раб.дней Доступно: < 80 шт
|
![]() |
ТКР-1-16А термостат регулируемый 0-40гр.
Терморегулятор ТКР-1-16А, Терморекс, 0-40 C Термостаты Температура возврата ниже точки срабатывания ...
на 5 С Сопротивление изоляции, не менее 2 МОм Вес 19 г Напряжение коммутируемой цепи: 250 В Электрическая прочность изоляции 1250 В Сопротивление цепи контактов переходное: 0,05 Ом Диапазон регулирования температуры: 0-40 С Количество циклов 20000 Коммутируемый ток при коэффиценте мощности 0.6: не более 6 А << Производитель: ТЕРМОРЕКС
Внешний вид товара может отличаться
|
Цена от 80 шт.: 165.50 руб. Цена от 20 шт.: 171.26 руб. Цена от 7 шт.: 187.64 руб. Цена от 2 шт.: 210.54 руб. |
Срок доставки в офис:
Ростов-н/Д: 5-9 раб.дней Ставрополь: 7-12 раб.дней Доступно: < 40 шт
|
![]() |
ТКР-2-16А термостат регулируемый 0-100гр.
Терморегулятор ТКР-2-16А, Терморекс, 0-100 C Термостаты Рабочее напряжение 250 В Рабочая температура ...
0100 С Вес 20 г Расстояние межосевое L - 18 мм Рабочий ток 16 А << Производитель: ТЕРМОРЕКС
Внешний вид товара может отличаться
|
Цена от 70 шт.: 183.79 руб. Цена от 20 шт.: 190.19 руб. Цена от 7 шт.: 200.52 руб. Цена от 2 шт.: 233.82 руб. |
Срок доставки в офис:
Ростов-н/Д: 5-9 раб.дней Ставрополь: 7-12 раб.дней Доступно: < 60 шт
|
![]() |
ТКР-3-16А термостат регулируемый 0-150гр.
Терморегулятор ТКР-3-16А, Терморекс, 0-150 C Термостаты Номинальное напряжение 250 В Рабочая температура ...
0150 С Вес 20 г Рабочий ток 16 А << Производитель: ТЕРМОРЕКС
Внешний вид товара может отличаться
|
Цена от 80 шт.: 165.50 руб. Цена от 20 шт.: 171.26 руб. Цена от 7 шт.: 187.64 руб. Цена от 2 шт.: 210.54 руб. |
Срок доставки в офис:
Ростов-н/Д: 5-9 раб.дней Ставрополь: 7-12 раб.дней Доступно: < 40 шт
|
![]() |
ТКР-4-10А термостат регулируемый 25-250гр.
Терморегулятор ТКР-4-10А, Терморекс, 25-250 C Термостаты Температура возврата ниже точки срабатывания ...
на 10 С Сопротивление изоляции, не менее 2 МОм Вес 19 г Напряжение коммутируемой цепи: 250 В Электрическая прочность изоляции 1250 В Сопротивление цепи контактов переходное: 0,05 Ом Диапазон регулирования температуры: 25-250 С Количество циклов 20000 Коммутируемый ток при коэффиценте мощности 0.6: не более 6 А << Производитель: ТЕРМОРЕКС
Внешний вид товара может отличаться
|
Цена от 80 шт.: 165.50 руб. Цена от 20 шт.: 171.26 руб. Цена от 7 шт.: 187.64 руб. Цена от 2 шт.: 210.54 руб. |
Срок доставки в офис:
Ростов-н/Д: 5-9 раб.дней Ставрополь: 7-12 раб.дней Доступно: < 100 шт
|





